స్విచ్ తయారీలో 35 సంవత్సరాల అనుభవం ఉన్న ప్రెస్-ఫిట్ మరియు సోల్డరింగ్ ట్యాబ్లతో ప్రొఫెషనల్ డ్యూరబుల్ మైక్రో స్విచ్గా, యుక్వింగ్ టోంగ్డా వైర్ ఎలక్ట్రిక్ ఫ్యాక్టరీ 'డిమాండ్-డ్రైవెన్ కస్టమైజేషన్, టెక్నాలజీని భద్రపరిచే సాంకేతికత'పై కేంద్రీకరిస్తుంది మరియు, రాకర్ స్విచ్లు, పిఎన్సి వంటి ప్రధాన ఉత్పత్తులపై దృష్టి సారిస్తుంది, పి.ఎన్.సి. బటన్ NCలు, పారిశ్రామిక, స్మార్ట్ హోమ్, వైద్య మరియు సముద్ర సంబంధ రంగాలతో సహా వివిధ రంగాలకు అనుకూలీకరించిన స్విచ్ సొల్యూషన్లను అందిస్తాయి. సాంకేతిక ఆవిష్కరణలు మరియు కఠినమైన నాణ్యత నియంత్రణతో, అనుకూలీకరించిన స్విచ్ల రంగంలో ఇది బెంచ్మార్క్గా మారింది.
మైక్రో స్విచ్ పరిచయం

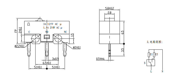
మైక్రో స్విచ్ పరామితి (స్పెసిఫికేషన్)
| ITEM | ప్రధాన సాంకేతిక పారామితులు |
| 1 | ఎలక్ట్రికల్ రేటింగ్: 3A 250VAC |
| 2 | విద్యుత్ జీవితకాలం : Min.10000 చక్రాలు |
| 3 | కాంటాక్ట్ రెసిస్టెన్స్ :<50mΩ |
| 4 | ఆపరేటింగ్ ఫోర్స్:70±20gf |
| 5 | ఉచిత స్థానం: 7.3 ± 0.2 మిమీ |
| 6 | ఆపరేటింగ్ స్థానం:7.0±0.2mm |
| 7 | పరిసర ఉష్ణోగ్రత: T85° |
| 8 | వోల్టేజీని తట్టుకోవడం: టెర్మినల్ మరియు టెర్మినల్ మధ్య 500V/5S/5mA; |
| టెర్మినల్స్ మరియు కేస్ 1500/5S/5mA మధ్య | |
| 9 | ఇన్సులేషన్ రెసిస్టెన్స్:>100MΩ టెస్ట్ వోల్టేజ్ 500VDC |
| 10 | ప్రూఫ్ ట్రాకింగ్ ఇండెక్స్ PTI :175V |
మైక్రో స్విచ్ వివరాలు
