స్వతంత్ర ద్వంద్వ-పోల్ పరిమితి ట్రావెల్ స్విచ్ అనేది యాంత్రిక కదలిక ద్వారా ప్రేరేపించబడిన ఆటోమేటిక్ కంట్రోల్ భాగం. సర్క్యూట్ల ప్రారంభ మరియు మూసివేతను సాధించడానికి, పరికరాల ప్రారంభం మరియు స్టాప్ సాధించడానికి లేదా రక్షణను పరిమితం చేయడానికి ఒక వస్తువు యొక్క స్థానభ్రంశం లేదా స్ట్రోక్ను గుర్తించడం దీని ప్రధాన పని. ఇది పారిశ్రామిక ఆటోమేషన్ మరియు ఎలక్ట్రోమెకానికల్ పరికరాలలో అనివార్యమైన 'సేఫ్టీ సెంటినెల్' మరియు 'యాక్షన్ కమాండర్'.
స్విచ్ పరిచయంuction
ట్రావెల్ స్విచ్ (పరిమితి స్విచ్ అని కూడా పిలుస్తారు) అనేది యాంత్రిక కదలిక ద్వారా ప్రేరేపించబడిన ఆటోమేటిక్ కంట్రోల్ భాగం. సర్క్యూట్ల ప్రారంభ మరియు మూసివేతను సాధించడానికి, పరికరాల ప్రారంభం మరియు స్టాప్ సాధించడానికి లేదా రక్షణను పరిమితం చేయడానికి ఒక వస్తువు యొక్క స్థానభ్రంశం లేదా స్ట్రోక్ను గుర్తించడం దీని ప్రధాన పని. ఇది పారిశ్రామిక ఆటోమేషన్ మరియు ఎలక్ట్రోమెకానికల్ పరికరాలలో అనివార్యమైన 'సేఫ్టీ సెంటినెల్' మరియు 'యాక్షన్ కమాండర్'.
స్విచ్ అప్లికేషన్tion
గృహోపకరణాలు మరియు స్మార్ట్ హోమ్లో అప్లికేషన్:
వాషింగ్ మెషిన్:ఫ్రంట్-లోడింగ్ వాషింగ్ మెషిన్ తలుపు మీద పరిమితి స్విచ్ వ్యవస్థాపించబడింది. తలుపు పూర్తిగా మూసివేయబడినప్పుడు మాత్రమే ఉపకరణం ప్రారంభమవుతుంది మరియు స్విచ్ సర్క్యూట్ను సక్రియం చేస్తుంది, ఇది ఆపరేషన్ సమయంలో నీటి లీకేజీ లేదా బట్టలు విసిరివేయకుండా నిరోధిస్తుంది.
రిఫ్రిజిరేటర్/ఓవెన్:రిఫ్రిజిరేటర్ తలుపు మూసివేయబడినప్పుడు, ఇంటీరియర్ లైట్ను ఆపివేయడానికి స్విచ్ ప్రేరేపిస్తుంది. దీనికి విరుద్ధంగా, ఓవెన్ తలుపు సురక్షితంగా మూసివేయకపోతే, వేడి లీకేజీని నివారించడానికి స్విచ్ తాపన అంశాలకు శక్తిని తగ్గిస్తుంది.
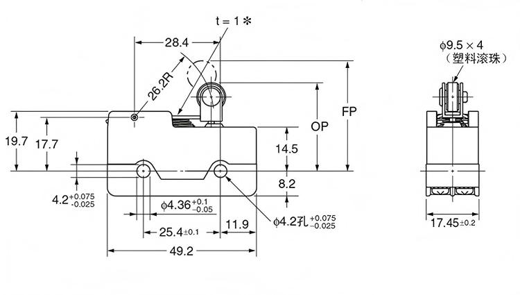
స్విచ్ వివరాలు
