యుక్వింగ్ టోంగ్డా వైర్ ఎలక్ట్రిక్ ఫ్యాక్టరీ యొక్క ప్రాతినిధ్య ఉత్పత్తిగా ఇది కోర్ స్టాండర్డైజేషన్ మరియు కస్టమైజేషన్ యొక్క ఏకీకరణను కలిగి ఉంటుంది, జ్యూసర్ల కోసం మైక్రో స్విచ్లు వాక్యూమ్ క్లీనర్స్ ప్రింటర్లు మరియు ఇతర డివైస్లు "స్థిరత్వం, విశ్వసనీయత మరియు దృశ్య అనుకూలత" అనే ప్రధాన సూత్రాలతో రూపొందించబడ్డాయి. ఇది ఎలక్ట్రికల్ పనితీరు, రక్షణ స్థాయిలు మరియు వినియోగదారు అనుభవంలో బహుళ ఆప్టిమైజేషన్లను సాధించడం ద్వారా కంపెనీ యొక్క 35 సంవత్సరాల స్విచ్ తయారీ నైపుణ్యాన్ని కలిగి ఉంది. స్మార్ట్ హోమ్ పవర్ డిస్ట్రిబ్యూషన్, ఇండస్ట్రియల్ యాక్సిలరీ ఎక్విప్మెంట్ మరియు చిన్న మెడికల్ ఇన్స్ట్రుమెంట్స్ వంటి దృష్టాంతాలకు స్విచ్ విస్తృతంగా వర్తిస్తుంది, ఇది అనుకూలీకరణ సామర్థ్యంతో సార్వత్రికతను బ్యాలెన్స్ చేసే ప్రాధాన్య సర్క్యూట్ కంట్రోల్ భాగం.
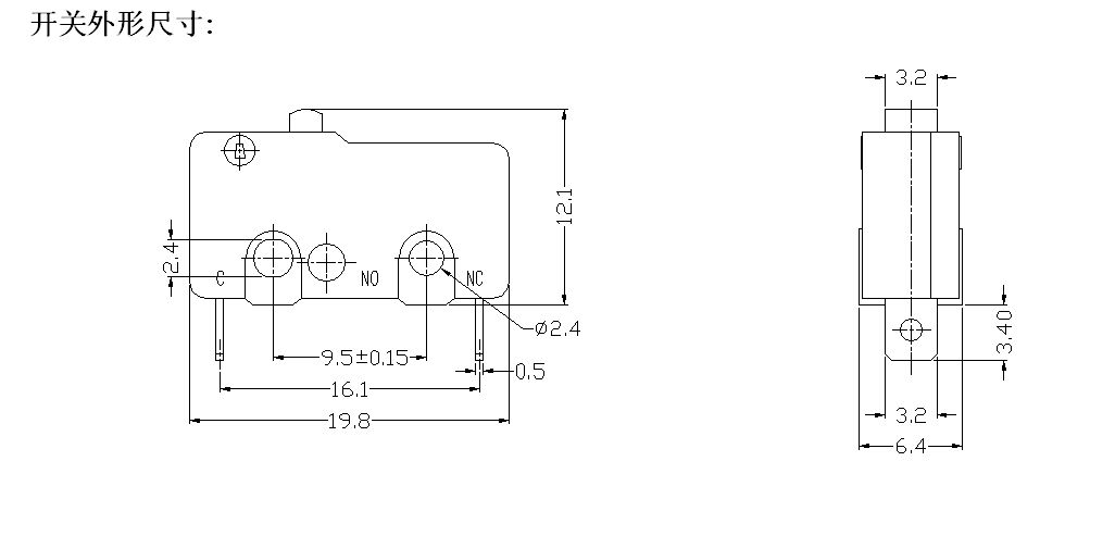
మైక్రో స్విచ్పరిచయం
ఉత్పత్తి నాణ్యతను అంచనా వేయడానికి కొనుగోలుదారులు అర్థం చేసుకోవలసిన కీలక ఉత్పత్తి దశలు క్రిందివి:
1. కాంపోనెంట్ తయారీ: ఖచ్చితంగా మెషిన్ చేయబడిన మెటల్ పరిచయాలు మరియు స్ప్రింగ్లు; మన్నికైన కేసింగ్ (ప్లాస్టిక్/మెటల్ మెటీరియల్స్).
2. అసెంబ్లీ: పనితీరును ప్రభావితం చేయకుండా ఉండటానికి స్ప్రింగ్లు, పరిచయాలు మరియు యాక్యుయేటర్లను ఖచ్చితంగా అసెంబ్లింగ్ చేయడం.
3. పరీక్ష: విశ్వసనీయతను నిర్ధారించడానికి కఠినమైన పరీక్ష (వేలాది ప్రెస్ పరీక్షలు, విద్యుత్ కొనసాగింపు పరీక్షలు).
4. ప్యాకేజింగ్: సులభ రవాణా కోసం రక్షిత ప్యాకేజింగ్, స్పెసిఫికేషన్ల స్పష్టమైన లేబులింగ్తో.
మైక్రో స్విచ్అప్లికేషన్
మైక్రో స్విచ్లు విస్తృతంగా ఉపయోగించబడతాయి మరియు పనితీరులో నమ్మదగినవి, ప్రధానంగా ఇందులో వర్తించబడతాయి:
- గృహోపకరణాలు: రిఫ్రిజిరేటర్ లైట్లు, మైక్రోవేవ్ ఓవెన్ డోర్ లాక్లు, వాషింగ్ మెషీన్ మూత స్విచ్లు మరియు టోస్టర్ టైమర్లు.
- పారిశ్రామిక పరికరాలు: కన్వేయర్ బెల్ట్లు, యంత్రాలు మరియు నియంత్రణ ప్యానెల్లకు (డస్ట్ప్రూఫ్ మరియు తేమ-ప్రూఫ్) అనువైన భారీ-డ్యూటీ నమూనాలు.
- ఆటోమోటివ్ ఫీల్డ్: విండ్షీల్డ్ వైపర్లు, డోర్-అజార్ ఇండికేటర్లు — వైబ్రేషన్ మరియు విపరీతమైన ఉష్ణోగ్రతలను తట్టుకోగల సామర్థ్యం.
- ఎలక్ట్రానిక్ పరికరాలు: రిమోట్ కంట్రోల్లు మరియు గేమ్ కంట్రోలర్ల కోసం సూక్ష్మ స్విచ్లు (ప్రతిస్పందించే మరియు దీర్ఘకాలం).
మైక్రో స్విచ్ స్పెసిఫికేషన్
| సాంకేతిక లక్షణాలు మారండి: | |||
| ITEM | సాంకేతిక పరామితి | విలువ | |
| 1 | ఎలక్ట్రికల్ రేటింగ్ | 5(2)A 125V/250VAC 10(3)125V/250VAC | |
| 2 | కాంటాక్ట్ రెసిస్టెన్స్ | ≤50mΩ ప్రారంభ విలువ | |
| 3 | ఇన్సులేషన్ రెసిస్టెన్స్ | ≥100MΩ (500VDC) | |
| 4 |
విద్యుద్వాహకము వోల్టేజ్ |
మధ్య కనెక్ట్ కాని టెర్మినల్స్ |
500V/0.5mA/60S |
| టెర్మినల్స్ మధ్య మరియు మెటల్ ఫ్రేమ్ |
1500V/0.5mA/60S | ||
| 5 | ఎలక్ట్రికల్ లైఫ్ | ≥10000 చక్రాలు | |
| 6 | మెకానికల్ లైఫ్ | ≥100000 చక్రాలు | |
| 7 | ఆపరేటింగ్ ఉష్ణోగ్రత | -25~125℃ | |
| 8 | ఆపరేటింగ్ ఫ్రీక్వెన్సీ | ఎలక్ట్రికల్: 15 సైకిల్స్ మెకానికల్: 60 సైకిల్స్ |
|
| 9 | వైబ్రేషన్ ప్రూఫ్ | వైబ్రేషన్ ఫ్రీక్వెన్సీ :10~55HZ; వ్యాప్తి: 1.5 మిమీ; మూడు దిశలు: 1H |
|
| 10 | టంకం సామర్థ్యం: 80% కంటే ఎక్కువ భాగం మునిగిపోయింది టంకముతో కప్పబడి ఉండాలి |
టంకం ఉష్ణోగ్రత : 235±5℃ ఇమ్మర్సింగ్ సమయం :2~3S |
|
| 11 | సోల్డర్ హీట్ రెసిస్టెన్స్ | డిప్ టంకం :260±5℃ 5±1S మాన్యువల్ టంకం:300±5℃ 2~3S |
|
| 12 | భద్రతా ఆమోదాలు | UL, CSA, VDE, ENEC, CE | |
| 13 | పరీక్ష పరిస్థితులు | పరిసర ఉష్ణోగ్రత:20±5℃ సాపేక్ష ఆర్ద్రత:65±5%RH వాయు పీడనం : 86~106KPa |
|
టోంగ్డా వైర్ ఎలక్ట్రిక్ మైక్రో USB ఇన్లైన్ పవర్ స్విచ్ వివరాలు


