యుక్వింగ్ టోంగ్డా వైర్ ఎలక్ట్రిక్ ఫ్యాక్టరీ యొక్క మైక్రో స్విచ్ సిరీస్ యొక్క బెంచ్మార్క్ మోడల్గా, సాధారణంగా ఓపెన్ ఎలక్ట్రానిక్ కాంపోనెంట్ లివర్ మైక్రో స్విచ్ దాని ప్రధాన ప్రయోజనాలుగా "అధిక సున్నితత్వం, అల్ట్రా-లాంగ్ లైఫ్స్పాన్ మరియు మల్టీ-సినారియో అడాప్టబిలిటీ"ని కలిగి ఉంది. కంపెనీ యొక్క 35 సంవత్సరాల స్విచ్ తయారీ నైపుణ్యాన్ని ఏకీకృతం చేస్తూ, గృహోపకరణాలు, ఆటోమోటివ్ ఎలక్ట్రానిక్స్, ఇండస్ట్రియల్ ఆటోమేషన్ మరియు ఇతర రంగాలలో ఇది కీలకమైన నియంత్రణ అంశంగా మారింది, దాని కనిష్ట కాంటాక్ట్ గ్యాప్ మరియు వేగవంతమైన చర్య యంత్రాంగానికి ధన్యవాదాలు. దీని పనితీరు మరియు విశ్వసనీయత ప్రపంచవ్యాప్తంగా బహుళ అధికార సంస్థలచే ధృవీకరించబడ్డాయి, సముచిత మార్కెట్లో దాని ప్రధాన స్రవంతి స్థానాన్ని పొందింది.
మైక్రో స్విచ్ పరిచయం
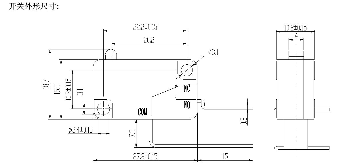
విభిన్న అప్లికేషన్ అవసరాలను తీర్చడానికి HK-14 సిరీస్ అత్యంత సౌకర్యవంతమైన అనుకూలీకరణ ఎంపికలను అందిస్తుంది. ఆపరేటింగ్ ఫోర్స్ని అనుకూలీకరించవచ్చు (లివర్-ఫ్రీ స్టేట్లో 5.0 N కంటే తక్కువ, స్టాండర్డ్ 30±15 gf), ఆపరేటింగ్ స్ట్రోక్ పరిధి 0.6–1.5 mm, వివిధ ట్రిగ్గర్ ఫోర్స్ మరియు డిస్ప్లేస్మెంట్ దృష్టాంతాలకు అనుకూలంగా ఉంటుంది. వివిధ మెకానికల్ ట్రాన్స్మిషన్ స్ట్రక్చర్లకు సరిపోయే స్ట్రెయిట్, బెంట్ మరియు రోలర్ లివర్లతో సహా లివర్ స్టైల్స్ అనుకూలీకరించదగినవి. సంప్రదింపు ఫారమ్లు SPDT (1NO 1NC), NO మరియు NC యొక్క పూర్తి స్థాయిని కవర్ చేస్తాయి.
మైక్రో స్విచ్ పరామితి (స్పెసిఫికేషన్)
| సాంకేతిక లక్షణాలు మారండి: | |||
| ITEM | సాంకేతిక పరామితి | విలువ | |
| 1 | ఎలక్ట్రికల్ రేటింగ్ | 5(2)A/10A/16(3)A/21(8)A 250VAC | |
| 2 | కాంటాక్ట్ రెసిస్టెన్స్ | ≤30mΩ ప్రారంభ విలువ | |
| 3 | ఇన్సులేషన్ రెసిస్టెన్స్ | ≥100MΩ (500VDC) | |
| 4 |
విద్యుద్వాహకము వోల్టేజ్ |
మధ్య కనెక్ట్ కాని టెర్మినల్స్ |
1000V/0.5mA/60S |
|
టెర్మినల్స్ మధ్య మరియు మెటల్ ఫ్రేమ్ |
3000V/0.5mA/60S | ||
| 5 | ఎలక్ట్రికల్ లైఫ్ | ≥50000 చక్రాలు | |
| 6 | మెకానికల్ లైఫ్ | ≥1000000 చక్రాలు | |
| 7 | ఆపరేటింగ్ ఉష్ణోగ్రత | -25~125℃ | |
| 8 | ఆపరేటింగ్ ఫ్రీక్వెన్సీ |
విద్యుత్ :15 చక్రాలు మెకానికల్: 60 చక్రాలు |
|
| 9 | వైబ్రేషన్ ప్రూఫ్ |
వైబ్రేషన్ ఫ్రీక్వెన్సీ : 10~55HZ; వ్యాప్తి: 1.5 మిమీ; మూడు దిశలు: 1H |
|
| 10 |
టంకం సామర్థ్యం: 80% కంటే ఎక్కువ భాగం మునిగిపోయింది టంకముతో కప్పబడి ఉండాలి |
టంకం ఉష్ణోగ్రత :235±5℃ ఇమ్మర్సింగ్ సమయం :2~3S |
|
| 11 | సోల్డర్ హీట్ రెసిస్టెన్స్ |
డిప్ టంకం :260±5℃ 5±1S మాన్యువల్ టంకం : 300±5℃ 2~3S |
|
| 12 | భద్రతా ఆమోదాలు | UL, CSA, VDE, ENEC, TUV, CE, KC, CQC | |
| 13 | పరీక్ష పరిస్థితులు |
పరిసర ఉష్ణోగ్రత:20±5℃ సాపేక్ష ఆర్ద్రత:65±5%RH వాయు పీడనం :86~106KPa |
|
మైక్రో స్విచ్ ఫీచర్ మరియు అప్లికేషన్
మైక్రో స్విచ్ వివరాలు
