ప్లాస్టిక్ మాగ్నెటిక్ మైక్రో స్విచ్ అనేది అయస్కాంత క్షేత్ర సంకేతాల ద్వారా సర్క్యూట్ యొక్క ఆన్-ఆఫ్ను నియంత్రించే స్విచ్ పరికరం. దీని ప్రధాన లక్షణం నాన్-కాంటాక్ట్ ఆపరేషన్, కాబట్టి ఇది వేగవంతమైన ప్రతిస్పందన, సుదీర్ఘ సేవా జీవితం మరియు అధిక విశ్వసనీయత యొక్క ప్రయోజనాలను కలిగి ఉంది మరియు పారిశ్రామిక ఆటోమేషన్, భద్రత, ఆటోమోటివ్ మరియు స్మార్ట్ హోమ్ ఫీల్డ్లలో విస్తృతంగా ఉపయోగించబడుతుంది.
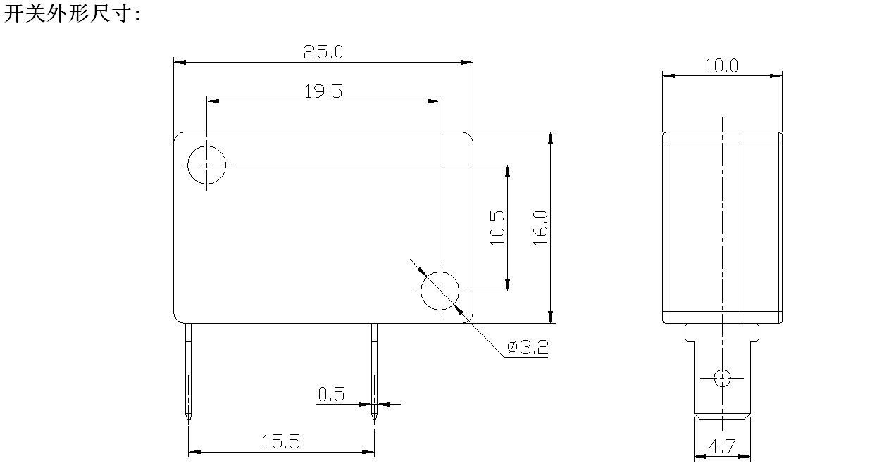
మైక్రో స్విచ్ పరిచయం
మాగ్నెటిక్ స్విచ్ అనేది అయస్కాంత క్షేత్ర సంకేతాల ద్వారా సర్క్యూట్ యొక్క ఆన్-ఆఫ్ను నియంత్రించే స్విచ్ పరికరం. దీని ప్రధాన లక్షణం నాన్-కాంటాక్ట్ ఆపరేషన్, కాబట్టి ఇది వేగవంతమైన ప్రతిస్పందన, సుదీర్ఘ సేవా జీవితం మరియు అధిక విశ్వసనీయత యొక్క ప్రయోజనాలను కలిగి ఉంది మరియు పారిశ్రామిక ఆటోమేషన్, భద్రత, ఆటోమోటివ్ మరియు స్మార్ట్ హోమ్ ఫీల్డ్లలో విస్తృతంగా ఉపయోగించబడుతుంది.
మైక్రో స్విచ్ పరామితి (స్పెసిఫికేషన్)
| సాంకేతిక లక్షణాలు మారండి: | |||
| ITEM | సాంకేతిక పరామితి | విలువ | |
| 1 | ఎలక్ట్రికల్ రేటింగ్ | 5(2)A/10A/16(3)A/21(8)A 250VAC | |
| 2 | కాంటాక్ట్ రెసిస్టెన్స్ | ≤30mΩ ప్రారంభ విలువ | |
| 3 | ఇన్సులేషన్ రెసిస్టెన్స్ | ≥100MΩ (500VDC) | |
| 4 |
విద్యుద్వాహకము వోల్టేజ్ |
మధ్య కనెక్ట్ కాని టెర్మినల్స్ |
1000V/0.5mA/60S |
|
టెర్మినల్స్ మధ్య మరియు మెటల్ ఫ్రేమ్ |
3000V/0.5mA/60S | ||
| 5 | ఎలక్ట్రికల్ లైఫ్ | ≥50000 చక్రాలు | |
| 6 | మెకానికల్ లైఫ్ | ≥1000000 చక్రాలు | |
| 7 | ఆపరేటింగ్ ఉష్ణోగ్రత | -25~125℃ | |
| 8 | ఆపరేటింగ్ ఫ్రీక్వెన్సీ |
విద్యుత్ :15 చక్రాలు మెకానికల్: 60 చక్రాలు |
|
| 9 | వైబ్రేషన్ ప్రూఫ్ |
వైబ్రేషన్ ఫ్రీక్వెన్సీ : 10~55HZ; వ్యాప్తి: 1.5 మిమీ; మూడు దిశలు: 1H |
|
| 10 |
టంకం సామర్థ్యం: 80% కంటే ఎక్కువ భాగం మునిగిపోయింది టంకముతో కప్పబడి ఉండాలి |
టంకం ఉష్ణోగ్రత :235±5℃ ఇమ్మర్సింగ్ సమయం :2~3S |
|
| 11 | సోల్డర్ హీట్ రెసిస్టెన్స్ |
డిప్ టంకం :260±5℃ 5±1S మాన్యువల్ టంకం : 300±5℃ 2~3S |
|
| 12 | భద్రతా ఆమోదాలు | UL, CSA, VDE, ENEC, TUV, CE, KC, CQC | |
| 13 | పరీక్ష పరిస్థితులు |
పరిసర ఉష్ణోగ్రత:20±5℃ సాపేక్ష ఆర్ద్రత:65±5%RH వాయు పీడనం :86~106KPa |
|
మైక్రో స్విచ్ ఫీచర్ మరియు అప్లికేషన్
మైక్రో స్విచ్ వివరాలు
